型號:SDL-XQ19172
產品使用對象:大學科研實驗
產品執行功能:磁力測試
大學科研磁感應線圈設備訂做參數
| 電壓: | 高度: | 電阻: | 壽命: | ||||
| 電流: | 通電率: | 耐溫: | 功率: | ||||
| 線圈高斯: | 外徑: |
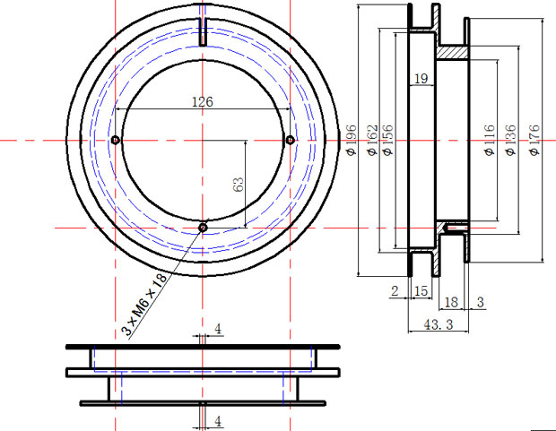
大學科研磁感應線圈設備訂做產品詳情
大學科研磁感應線圈設備訂做
型號:SDL-XQ19172
產品使用行業:大學科研實驗
產品執行功能:磁力測試


型號:SDL-XQ11643
產品使用行業:大學科研實驗
產品執行功能:磁力測試


型號:SDL-XQ8031
產品使用行業:大學科研實驗
產品執行功能:磁力測試


廣州思德隆電子有限公司(http://m.foshan3d.com.cn)創立于2005年,是一家專業生產研發電磁鐵定制加工,電磁閥定制,電磁線圈,小型電磁鐵等各類電磁產品,擁有豐富行業經驗的廣州電磁鐵廠家、廣州電磁閥廠家、電磁線圈廠家。品種多樣,規格齊全,產品從零部件到成品組裝均有自己的加工設備以及產生線,擁有高精密度檢測儀器和自主研發的老化設備,已通過(ISO9001認證)專業制造電磁鐵線圈從產品設計到樣品以及量產,均有量化高效的工藝流程及老化實驗檢測,保證了產品的質量與訂單的按時交貨。
關鍵詞:大學科研磁感應線圈,科研磁感應線圈,磁感應線圈設備訂做
| 上一篇:振動式灌腸儀振動器電磁線圈 |
| 下一篇:永磁鐵電磁鎖鎖芯 |









