按應用分類
型號:SDL-U1038A-220L
產品使用對象:銅帶機
產品執行功能:牽引
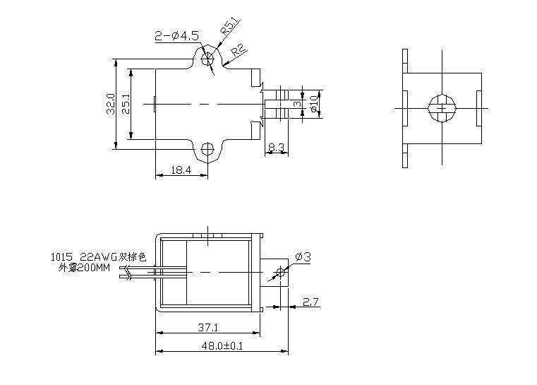
銅帶機電磁鐵參數
| 電壓: | AC220V | 行程: | 10mm | 電阻: | 功率: | ||
| 耐溫: | 壽命: | 耐電壓: | 初始力: | 1.5kg | |||
| 電流: | 1A-2.5A | 通電率: | 彈簧回力: | 0.8kg | 吸力: |
銅帶機電磁鐵產品詳情
名稱:銅帶機電磁鐵
型號:SDL-U1038A-220L
參數:
電壓:AC220V
行程:10mm
初始力:1.5kg
彈簧回彈力:0.8kg
電流:1A-2.5A
性能:
1、線圈加大,拉推力強;
2、框架加固,不會因為震動而散架;
3、加裝自動恢復保險絲,在電壓不穩定的時候不燒壞電磁鐵和電路;
4、拉桿兩端均有凹槽,便于鏈接;
5、采用上饒優質耐高溫漆包線,老化慢,性能穩定;
6、采用大號導線,降低不必要電損。

.jpg)
廣州思德隆電子有限公司(http://m.foshan3d.com.cn)創立于2005年,是一家專業生產研發電磁鐵廠家,電磁閥,電磁線圈,小型電磁鐵等各類電磁產品,擁有豐富行業經驗的廣州引式電磁鐵制造商、電磁閥、電磁線圈廠家。品種多樣,規格齊全,產品從零部件到成品組裝均有自己的加工設備以及流水線,擁有高精密度檢測儀器和自主研發的老化設備,銅帶機電磁鐵從產品設計到樣品以及量產,均有量化高效的工藝流程及老化實驗檢測,保證了產品的質量與訂單的按時交貨。
關鍵詞:銅帶機電磁鐵,銅帶機電磁鐵廠家,銅帶機電磁鐵訂做






