按應用分類
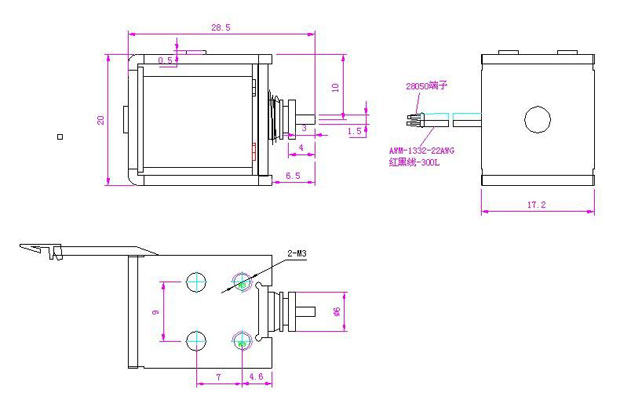
型號:SDL-U0622H-12L20
產品使用對象:車燈照明
產品執行功能:近遠光切換
12V車燈透鏡變光電磁鐵參數
| 電壓: | DC12V | 行程: | 5mm | 電阻: | 20歐 | 功率: | 7.2W |
| 耐溫: | 壽命: | 耐電壓: | 初始力: | ||||
| 電流: | 0.6A | 通電率: | 彈簧回力: | 吸力: |
12V車燈透鏡變光電磁鐵產品詳情
12V車燈透鏡變光電磁鐵
型號:SDL-U0622H-12L20
參數:
電壓:DC12V
行程:5mm
電流:0.6A
電阻:20歐
功率:7.2W
單次通電時間:24H
環境溫度:200
產品使用行業:車燈照明
產品執行功能:近遠光切換
拓展適用行業:高溫開關
產品特點:遠光24小時開啟不燒壞,耐高溫。


.jpg)
廣州思德隆電子有限公司(http://m.foshan3d.com.cn)創立于2005年,是一家專業生產研發電磁鐵定制加工,電磁閥定制,電磁線圈,小型電磁鐵等各類電磁產品,擁有豐富行業經驗的廣州電磁鐵廠家、廣州電磁閥廠家、電磁線圈廠家。品種多樣,規格齊全,產品從零部件到成品組裝均有自己的加工設備以及產生線,擁有高精密度檢測儀器和自主研發的老化設備,已通過(ISO9001認證)專業制造12V透鏡變光電磁鐵,車燈透鏡變光電磁鐵從產品設計到樣品以及量產,均有量化高效的工藝流程及老化實驗檢測,保證了產品的質量與訂單的按時交貨。
http://m.foshan3d.com.cn/coinfo-34.html
http://m.foshan3d.com.cn/coinfo-35.html
http://m.foshan3d.com.cn/coinfo-36.html
http://m.foshan3d.com.cn/vainfo-19.html
關鍵詞:12V透鏡變光電磁鐵,車燈透鏡變光電磁鐵






