按應用分類
型號:SDL-O0527A-48S192
產品使用對象:電腦,手機鍵盤測試
產品執行功能:敲擊
手機按鍵測試電磁鐵參數
| 電壓: | DC48V | 行程: | 5mm | 電阻: | 192歐 | 功率: | 通1s斷1,5s |
| 耐溫: | 壽命: | 耐電壓: | 初始力: | ||||
| 電流: | 通電率: | 彈簧回力: | 吸力: |
手機按鍵測試電磁鐵產品詳情
名稱:手機按鍵測試電磁鐵
型號:SDL-O0527A-48S192
用于電腦鍵盤測試,手機按鍵測試
1、以上參數可根據客戶要求定做。
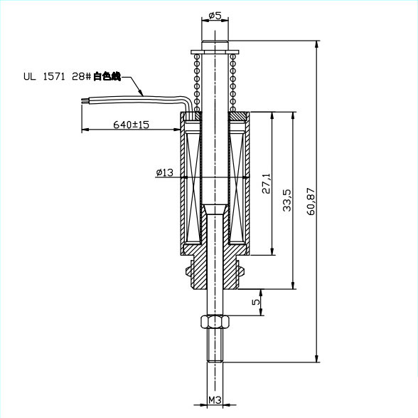
2、外徑:13mm
3、總高度:60.87mm
4、電磁鐵結構小巧,安裝方便。
5、電磁鐵垂吊80g的砝碼,通電落下,斷電復位。
.jpg)

廣州思德隆電子有限公司(http://m.foshan3d.com.cn)創立于2005年,是一家專業生產研發電磁鐵定制加工,電磁閥定制,電磁線圈,小型電磁鐵等各類電磁產品,擁有豐富行業經驗的廣州電磁鐵廠家、廣州電磁閥廠家、電磁線圈廠家。品種多樣,規格齊全,產品從零部件到成品組裝均有自己的加工設備以及產生線,擁有高精密度檢測儀器和自主研發的老化設備,已通過(ISO9001認證)專業制造手機按鍵測試電磁鐵從產品設計到樣品以及量產,均有量化高效的工藝流程及老化實驗檢測,保證了產品的質量與訂單的按時交貨。
廣州思德隆電磁鐵應用的領域:
1、家用電器用電磁鐵:多仕爐用電磁鐵、面包機用電磁鐵、咖啡機用電磁鐵、壓力電飯包用電磁鐵、洗衣機用電磁鐵、空調用電磁鐵、洗碗機用電磁鐵、消毒碗柜用電磁鐵、飲水機電磁鐵、微波爐用電磁鐵、電唱機電磁鐵、DVD光驅CDROM電磁鐵、家用噴香機電磁閥等。
2、辦公設備電磁鐵:(打印機電磁鐵、打卡鐘電磁鐵、復印機電磁鐵、傳真機電磁鐵、掃描儀電磁鐵、裝訂機電磁鐵、美工切紙機電磁鐵、計算機機箱控制鎖電磁鐵、噴碼機電磁鐵、噴墨機電磁鐵、碎紙機電磁鐵、服裝刻繪儀電磁鐵,服裝噴繪儀電磁鐵,刻字機電磁鐵,雕刻機電磁鐵等)。
關鍵詞:手機按鍵測試電磁鐵,按鍵測試電磁鐵
| 上一篇:微型電腦鍵盤測試電磁鐵 |
| 下一篇:電腦提花機電磁鐵 |






