按應用分類
型號:SDL-XP1212A-24L540
產品使用對象:機械設備
產品執行功能:吸鐵片
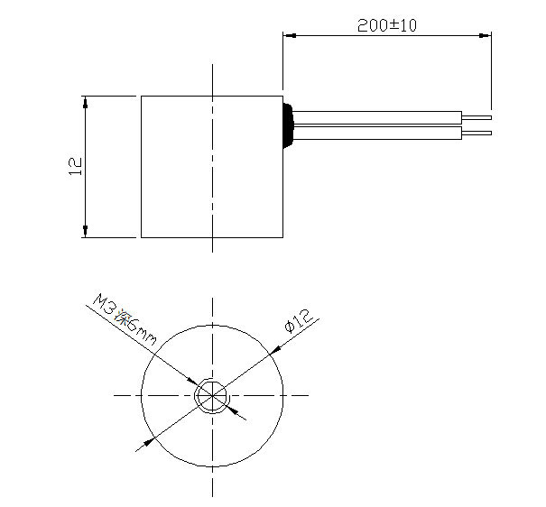
生產線上料機用微型電磁吸盤 取料機用吸盤式電磁鐵參數
| 電壓: | DC24V | 行程: | 0 | 電阻: | 540歐 | 功率: | 1.1W |
| 耐溫: | 65度 | 壽命: | 50萬次 | 耐電壓: | 初始力: | 1KG | |
| 電流: | 44MA | 通電率: | 100% | 彈簧回力: | 吸力: | 1KG |
生產線上料機用微型電磁吸盤 取料機用吸盤式電磁鐵產品詳情
生產線上料機用微型電磁吸盤 取料機用吸盤式電磁鐵
型號:SDL-XP1212A-24L540
參數
行程:0
電壓:DC24V
電流:44MA
電阻:540歐
功率:1.1W
初始力:1KG
通電率:100%
壽命:50萬次
單次通電時間:10S
是否防水:是
是否耐油:是
溫升要求:65度
產品使用行業:機械設備
產品執行功能:吸鐵片
拓展適用行業:生產線、機械手
產品特點:體積小,控制方便,吸力大





廣州思德隆電子有限公司(http://m.foshan3d.com.cn)創立于2005年,是一家專業生產研發電磁鐵定制加工,電磁閥定制,電磁線圈,小型電磁鐵等各類電磁產品,擁有豐富行業經驗的廣州電磁鐵廠家、廣州電磁閥廠家、電磁線圈廠家。品種多樣,規格齊全,產品從零部件到成品組裝均有自己的加工設備以及產生線,擁有高精密度檢測儀器和自主研發的老化設備,已通過(ISO9001認證)專業制造上料機用微型電磁吸盤,取料機用吸盤式電磁鐵從產品設計到樣品以及量產,均有量化高效的工藝流程及老化實驗檢測,保證了產品的質量與訂單的按時交貨。
http://m.foshan3d.com.cn/elinfo-173.html
http://m.foshan3d.com.cn/elinfo-172.html
http://m.foshan3d.com.cn/elinfo-171.html
http://m.foshan3d.com.cn/elinfo-170.html
關鍵詞:上料機用微型電磁吸盤,取料機用吸盤式電磁鐵






